

|
技 術 參 數
|
||||||||
|
型 號
|
C8#
|
C9#
|
C10#
|
C11#
|
C12#
|
C13#
|
C14#
|
C15#
|
|
速比
|
318:1
|
378:1
|
396:1
|
486:1
|
486:1
|
600:1
|
600:1
|
600:1
|
|
配對電裝
|
Z20
|
Z30
|
Z45
|
Z60
|
Z90
|
Z120
|
Z180
|
Z250
|
|
輸入力矩NM
|
200
|
300
|
450
|
600
|
900
|
1200
|
1800
|
2500
|
|
輸出力矩Nm
|
10600
|
18900
|
29700
|
72900
|
72900
|
12000
|
180000
|
250000
|
|
旋轉行程
|
90°
|
90°
|
90°
|
90°
|
90°
|
90°
|
90°
|
90°
|
|
限位調整
|
±5°
|
±5°
|
±5°
|
±5°
|
±5°
|
±5°
|
±5°
|
±5°
|
|
連 接 尺 寸
|
||||||||
|
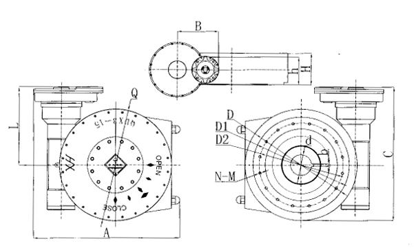
連 接 法蘭(D)
|
300
|
350
|
415
|
475
|
560
|
650
|
800
|
1200
|
|
連接孔中心(D1)
|
254
|
298
|
356
|
406
|
483
|
590
|
720
|
1050
|
|
法蘭凹面(D2)
|
200×5
|
230×5
|
260×5
|
300×8
|
370×8
|
490×8
|
600×8
|
900×10
|
|
孔徑:孔數(N-M)
|
8-M16
|
8-M20
|
12-M20
|
12-M20
|
12-M22
|
12-M27
|
12-M30
|
16-M30
|
|
軸孔(dmin-max)
|
55-70
|
75-85
|
90-100
|
98-120
|
115-145
|
160-180
|
200-250
|
260-300
|
|
標準軸孔(d)
|
60
|
80
|
90
|
110
|
130
|
160
|
200
|
260
|
|
平鍵×條數×90°(b)
|
18×2
|
22×2
|
28×2
|
28×2
|
32×2
|
32×2
|
36×2
|
45×2
|
|
安裝高度(h)
|
120
|
120
|
150
|
180
|
195
|
205
|
250
|
300
|
|
|
||||||||
|
A
|
577.5
|
627.5
|
753
|
873
|
1133
|
1273
|
1404
|
1770
|
|
B
|
272.5
|
272.5
|
327.5
|
327.5
|
423
|
423
|
520
|
520
|
|
C
|
555
|
590
|
687
|
787
|
922
|
1052
|
1359
|
1490
|
|
L
|
385
|
415
|
477
|
517
|
602
|
812
|
825
|
1025
|
|
H
|
150
|
150
|
170
|
200
|
220
|
240
|
350
|
405
|
|
箱體外徑(Q)
|
340
|
410
|
480
|
590
|
690
|
840
|
1070
|
1400
|

冀公網安備13092802000153號